概述
第一节 产品特点
JSDB系列双速多用绞车执行标准:MT/T952-2005《双速多用绞车》。
本绞车的防爆形式:隔爆型。防爆标志:ExdI。
本绞车是效率高、节能、多用途的新型绞车,适用于具有煤尘、甲烷等爆炸性气体的煤矿井下作业。可用于煤矿井下采煤工作面综采设备及各类机电设备的搬迁等辅助运输工作,也可用于煤矿井下采掘工作面、井底车场、上山下山、煤矿地面等处的矿车调度,物料运输等工作,用于上山下山时的坡度不得大于30°。还可用于回采工作面的回柱放顶。
本绞车打破了传统的设计原理,实现了一机双速,可根据现场的需要变换速度和牵引力,具有回柱、调度、物料运输等多种功能。克服了以前煤矿绞车的不足,尤其是回柱绞车速度慢且单速、效率低、寿命短等缺陷。本绞车为实用新型专利产品,拥有多项专利技术,(①专利号 ZL200320103241.6《双速绞车》;②专利号ZL201220259444.3《锁紧装置》;③专利号 ZL201220323914.8《一种变速装置》)。他结构紧凑,传动新颖,经国家教委科技查新中心南京工作站国内查新,其设计新颖、综合技术性能优良。1994年被评为国家级新产品,1996年出口土耳其两个综采矿井,受到国外用户的高度赞扬。2003年被中国煤炭机械工业协会评为煤矿机电放心产品。公司1999年被评为科技进步先进企业,2007年被无锡市人民政府评为AAA级重合同守信用企业,2010年被无锡市评为高新技术企业,2010年被江苏省质量监督管理委员会评为江苏省质量信得过企业,2011年被评为江苏省明星企业。2014年双向大功率绞车项目被无锡市科学技术协会评为金桥工程优良项目,同年被无锡市科协评为科技示范基地。2018年被滨湖区总工会评为工人先锋号。
第二节 警示语
①本绞车严禁用于载人或提升!
②本绞车严禁超载运行!
③本绞车严禁停电溜放!
④本绞车所配套的电器产品必须要有在有效期内的安标证!
⑤本绞车在正常运转或斜坡负载情况下严禁换档!
第三节 主要用途及适用范围
该系列绞车具有快速和慢速两档速度,可根据现场需要变换速度和牵引力进行不同条件下的工作。既可用于煤矿井下采煤工作面综采设备及各类机电设备的搬迁等辅助运输工作,也可用于煤矿井下采掘工作面、井底车场、上山下山、煤矿地面等处的矿车调度、物料运输等工作,还可用于回采工作面的回柱放顶。
第四节 使用环境和工作条件
本绞车使用环境温度 -10℃-+40℃,相对湿度不超过95%(当温度为+25℃时),海拔高度不超过1000m。
隔爆型绞车工作时周围空气中的煤尘、甲烷等爆炸性气体的含量不超过《煤矿安全规程》中规定的要求。
第五节 型号的组成及其代表意义

JSDB系列绞车有JSDB-6、JSDB-10、JSDB-13、JSDB-16、JSDB-19、JSDB-25、JSDB-30,表示双速多用绞车,慢速时钢丝绳外层最大静张力分别为60kN、100kN、130kN、160kN、190kN、250kN、300kN。
JSDB改进型系列绞车有JSDB-10A、JSDB-13A、JSDB-16A、JSDB-19A、JSDB-25A,表示改进型双速多用绞车,慢速时钢丝绳外层最大静张力分别为100kN、130kN、160kN、190kN、250kN。
结构特征与工作原理
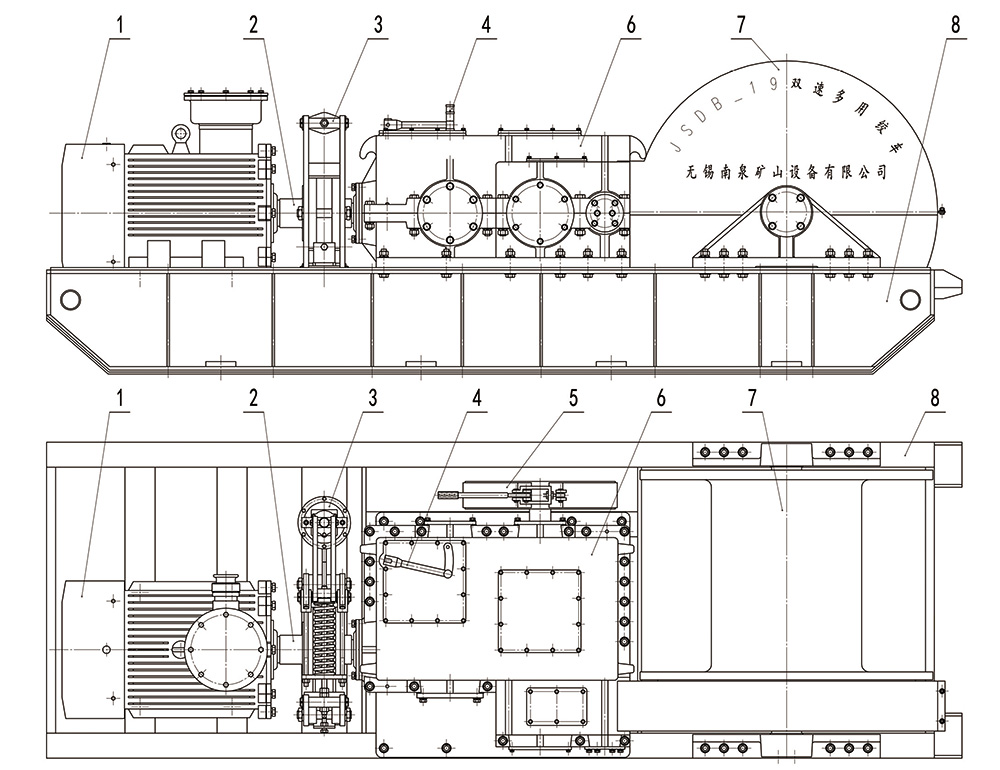
绞车外形图见图(1),绞车主要由以下八部分组成:①电动机②联轴器③工作制动闸④变速手把⑤安全制动闸⑥减速箱⑦卷筒装置⑧底座。
图(1)绞车外形图
绞车从电动机经过联轴器传动到减速箱,再经过一级开式齿轮传动传递到滚筒,绞车内部各转动部位均采用滚动轴承支承。联轴器上有制动轮,由电力液压块式制动器进行制动,是绞车的工作制动。底座由型钢焊接而成。
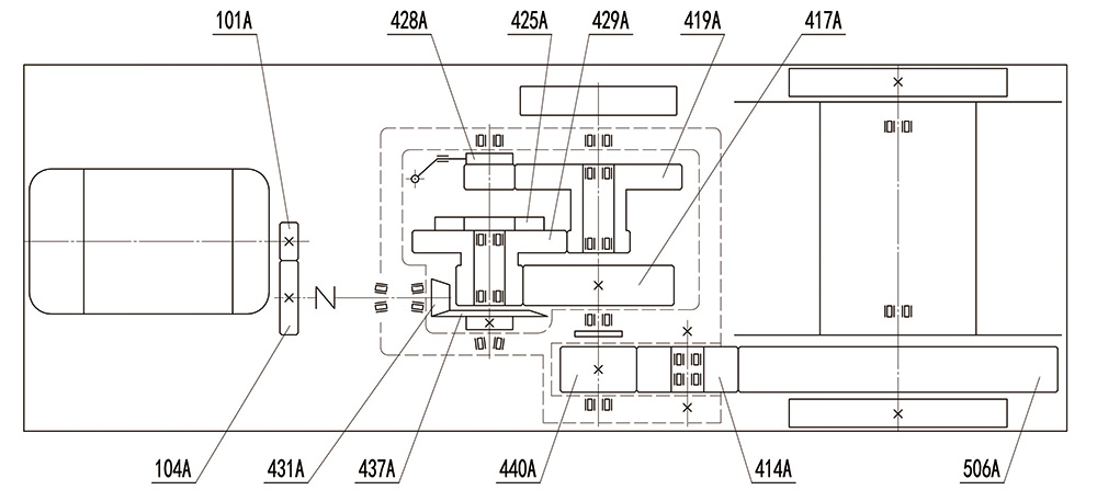
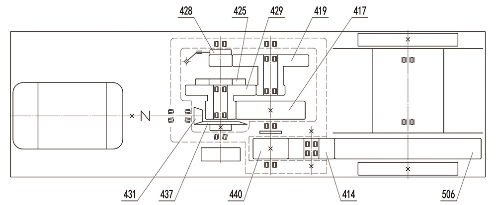
减速箱是绞车的传动心脏,共有两种速度。图示为快速传动位置,其快速传动位置是第一级闭式圆柱齿轮传动的小齿轮(图号428)与内齿圈联接,从而实现快速传动,此时三轴上的双联齿轮(图号419)空转。搬动调速手把,将第一级圆柱小齿轮(图号428)滑移到与三轴双联齿轮(图号419)的大端啮合,则实现绞车的慢速传动。齿轮位置详见图(2)传动系统图。
本绞车对称布置,呈长条形,便于绞车的搬移和固定。绞车宽度、高度尺寸较小,适于井下窄小空间工作。绞车结构简单、紧凑;上下箱体为剖分式,装配、维修均很方便;采用常规机械传动,安全可靠。绞车操作简单,只要通过调速手把选择合适挡位并用弹簧手柄固定,然后启闭控制按钮开关即可方便使用。电力液压块式制动器为常闭式,随主电机启停一起打开或闭合,安全可靠。
图(2)是JSDB系列绞车的传动系统图,图中所示编号为绞车对应零件的图号,如果要采购配件只需报“绞车系列+绞车规格+图号”即能对应相应的零件,如JSDB-19-428即为JSDB-19双速多用绞车的滑移齿轮。
图(2)JSDB系列绞车传动系统图
图(3)是JSDB-A系列绞车的传动系统图。其和图(2)的区别就是在电机端增加了一级齿轮减速。
图(3)JSDB-A系列绞车传动系统图
所有绞车均设计有二级制动。JSDB-16和JSDB-16A以下的型号(含16型)二级制动均设置在二轴上(如图(2)所示),JSDB-19和JSDB-19A以上的型号(含19型)二级制动均设置在三轴上(如图(3)所示)。
技术特性
第一节 主要性能
本绞车具有快、慢两个速度档位,慢速档牵引力大,用于拉重负荷;快速档速度快,用于回绳,拉空车等。
档位有弹簧闭锁结构,能实现自锁功能。
制动分工作制动和应急安全制动,安全可靠。
第二节 主要技术参数
1、JSDB系列绞车技术参数:
|
型号 |
JSDB-6
(SDJ-8) |
JSDB-10
(SDJ-14) |
JSDB-13
(SDJ-20) |
JSDB-16
(SDJ-28) |
JSDB-19
(SDJ-32) |
JSDB-25
(SDJ-39) |
JSDB-30
(SDJ-50) |
|
慢速 |
内层最大静张力(kN) |
100 |
140 |
200 |
280 |
320 |
390 |
500 |
|
绳速(m/min) |
4.17-6.88 |
7.29-10.63 |
5.88-9.72 |
7.15-11.51 |
7.58-11.45 |
7.57-11.81 |
8.10-13.38 |
|
传动比 |
231.52 |
169.83 |
236.26 |
205.92 |
256.35 |
264.28 |
219.71 |
|
快速 |
内层最大静张力(kN) |
13 |
21 |
25 |
32 |
39 |
48 |
68 |
|
绳速(m/min) |
30.87-50.92 |
47.67-69.45 |
47.31-78.01 |
62.40-99.79 |
61.82-93.39 |
61.77-96.37 |
59.40-98.09 |
|
传动比 |
31.29 |
26 |
29.37 |
25.69 |
31.42 |
32.39 |
29.98 |
|
钢丝绳 |
卷筒容绳量(m) |
200 |
155 |
280 |
300 |
510 |
520 |
700 |
|
直径(mm) |
17 |
21.5 |
24.5 |
28 |
30 |
30 |
36 |
|
结构 |
6×19 |
|
公称抗拉强度(MPa) |
1670 |
|
电动机 |
型号 |
YBK3-160M-6 |
YBK3-200L1-6 |
YBK3-200L2-6 |
YBK3-250M-6 |
YBK3-280S-6 |
YBK3-280M-6 |
YBK3-315M-8 |
|
功率(kW) |
7.5 |
18.5 |
22 |
37 |
45 |
55 |
75 |
|
转速(rpm) |
970 |
970 |
970 |
980 |
980 |
990 |
740 |
|
外形 |
长(mm) |
2285 |
2735 |
3000 |
3410 |
3680 |
3700 |
4580 |
|
宽(mm) |
660 |
725 |
880 |
990 |
1270 |
1270 |
1480 |
|
高(mm) |
700 |
785 |
935 |
1116 |
1270 |
1300 |
1580 |
|
卷简尺寸[直径×宽度](mm) |
φ300×332 |
φ385×366 |
φ435×464 |
φ505×520 |
φ600×770 |
φ620×770 |
φ730×900 |
|
重量[包括电机](kg) |
1800 |
2800 |
3800 |
5100 |
6000 |
7100 |
10500 |
安装调试
第一节 绞车的固定方法
本绞车常用的固定方法见图(4)、图(5)、图(6),绞车固定后应牢固、可靠、不得有松动现象。
图(4)固定方法之一
图(5)固定方法之二
图(6)固定方法之三
第二节 绞车基础图
图(7)JSDB-6基础图(卷筒在左侧)
图(8)JSDB-10和JSDB-10A基础图(卷筒在左侧)
图(9)JSDB-13和JSDB-13A基础图(卷筒在左侧)
图(10)JSDB-16和JSDB-16A基础图(卷筒在左侧)
图(11)JSDB-19和JSDB-19A基础图(卷筒在左侧)
图(12)JSDB-25和JSDB-25A基础图(卷筒在左侧)
图(13)JSDB-30基础图(卷筒在左侧)
第三节 绞车安设位置
本绞车使用范围广,安设位置不一一列举,在此仅列一种供用户参考。参见图(14),用作运搬绞车,安设在巷道内,用于上山、下山、平巷等综采工作面设备的搬迁及其他各类机电设备的运搬。可代替调度绞车、运输绞车,用于采掘工作面、井底车场、煤矿地面等处的矿车调度、物料运输等。
用户可根据现场具体情况确定其安设位置,但应符合《煤矿安全规程》的有关规定。